ကျွန်ုပ်တို့ကို အီးမေးလ်ပို့ပါ။
ထုတ်ကုန်များ
tac pneumatic toggle အဆို့ရှင်
  • tac pneumatic toggle အဆို့ရှင်tac pneumatic toggle အဆို့ရှင်

tac pneumatic toggle အဆို့ရှင်

ပရော်ဖက်ရှင်နယ်ထုတ်လုပ်မှုအနေဖြင့် Ok သည်သင့်အား tac pneumatic toggle valve ကိုပေးလိုသည်။ နှင့် olk သည်သင့်အားအကောင်းဆုံးရောင်းအားနှင့်အချိန်မီပေးပို့ခြင်းကိုပေးလိမ့်မည်။

TAC Pneumatic Toggle Valve (switch valve ဟုလည်းလူသိများသော) သည် pneumatic systems နှင့်အရည်ထိန်းချုပ်မှုအတွက်အထူးတိကျသောခလုတ်ဖြစ်သည်။ ၎င်း၏ထူးခြားသော toggle-type control ဖွဲ့စည်းပုံနှင့်အတူ၎င်းသည်လျင်မြန်စွာ switching နှင့်အရည်လမ်းကြောင်းများကိုတိကျသောထိန်းချုပ်မှုကိုရရှိစေသည်။

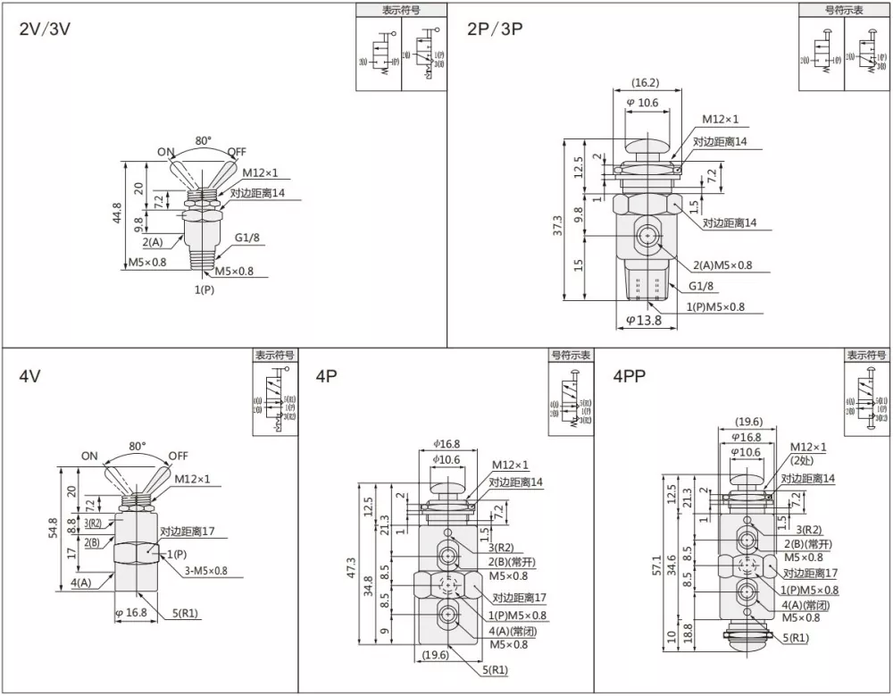
TAC စီးရီး Toggle Valve တွင် 2 နေရာအနေအထား 2 နေရာတွင်ရှိသည်။ 2 အနေအထားတွင် 2 နေရာ 3 နေရာနှင့်ရာထူး 2 နေရာမှာ 2 နေရာနှင့် 2 ခုခေါင်းစဉ်များရှိနိုင်သည်။ M5, G1 / 8 အမျိုးအစားများ။

လျှောက်လွှာဇာတ်လမ်းတစ်ပုဒ်

စက်မှုလုပ်ငန်းဆိုင်ရာစက်ကိရိယာများ, စက်ပစ္စည်းပြုပြင်ခြင်းပစ္စည်းများ, ဆောက်လုပ်ရေးပစ္စည်းများ, စွမ်းအင်နှင့်သတ္တုတွင်း, အစားအစာနှင့်အဖျော်ယမကာလုပ်ငန်း, ဆေးဘက်ဆိုင်ရာပစ္စည်းများစသည်ဖြင့်

ထုတ်ကုန်အင်္ဂါရပ်များ

အရွယ်အစားအနည်းငယ်သာရှိပြီး installation နေရာအနည်းငယ်သာလိုအပ်သည်။

tac tac toggle valve သင်္ကေတနှင့်အောက်လိုင်း

ကုဒ်နံပါတ်

tac

2

__

2

P

 

 

 

 

 

TAC စီးရီး Toggle Valve

 

 

2: 2Position 2 လမ်း (M5)

P: push-pull ခလုပ်အမျိုးအစား

 

 

 

3: 2 ရာထူး 3 လမ်း (M5)

v: လက်လီဗာအမျိုးအစား

 

 

 

4: 2 ပါပွန်မှု 5 လမ်း (M5)

PP: Double Push-pull ခလုတ်ကိုနှိပ်ပါ

 

 

 

31: 2 နေရာ 3 လမ်း (G1 / 8)

 

 

 

 

41: 2 Powions 5 Way (G1 / 8)

 

 

ပုံစံ

ဆိပ်ကမ်းအရွယ်အစား

 

ဂဏန်း
အနေအထား၏

ထိရောက်သော  
Cross- အပိုင်း area ရိယာ

ဖိအားအကွာအဝေး

အလုပ်လုပ်အရည်

အနာ
အပူအအေး

 

tac-2v

inlet = ထွက်ပေါက် = M5   

2 ရာထူး 2 လမ်း

1.9 မီလီမီတာ

0.05 ~ 0.9ppa

လေ

0 ~ 60

tac-2P

inlet = ထွက်ပေါက် = M5   

2 ရာထူး 2 လမ်း

1.9 မီလီမီတာ

TAC-3V

inlet = ထွက်ပေါက် = M5   

2 ရာထူး 3 လမ်း

1.9 မီလီမီတာ

tac-3P

inlet = ထွက်ပေါက် = M5   

2 ရာထူး 3 လမ်း

1.9 မီလီမီတာ

tac-4v

inlet = ထွက်ပေါက် = M5   

2 ရာထူး 5 လမ်း

1.9 မီလီမီတာ

tac-4P

inlet = ထွက်ပေါက် = M5   

2 ရာထူး 5 လမ်း

1.9 မီလီမီတာ

4pp

G1 / 8

 

2 ရာထူး 5 လမ်း

4.5mmm²

tac2-31V

inlet = ထွက်ပေါက် = အိပ်ဇော = G1 / 8   

2 ရာထူး 3 လမ်း

4.5mmm²

tac2-31p

inlet = ထွက်ပေါက် = အိပ်ဇော = G1 / 8   

2 ရာထူး 3 လမ်း

4.5mmm²

tac2-41v

inlet = Outlet = G1 / 8 အိပ်ဇော = M5

2 ရာထူး 5 လမ်း

4.5mmm²

tac2-41p

inlet = Outlet = G1 / 8 အိပ်ဇော = M5

2 ရာထူး 5 လမ်း

4.5mmm²

tac2-41pp

inlet = Outlet = G1 / 8 အိပ်ဇော = M5

2 ရာထူး 5 လမ်း

4.5mmm²

မကြာခဏမေးလေ့ရှိသောမေးခွန်းများ:

Toggle Valve နှင့်စက်မှုအဆို့ရှင်အကြားခြားနားချက်ကဘာလဲ။

၎င်းသည် loggle valve နှင့်စက်မှုအဆို့ရှင်ကိုထိန်းချုပ်နိုင်သည့် toggle valve ကိုထိန်းချုပ်နိုင်သည်။ Toggle Valve သည် Pined Lever Holding အမျိုးအစား, စက်ပစ္စည်းအမျိုးအစားသို့မဟုတ် roller အမျိုးအစားဖြစ်သည်

 

Toggle Valve နှင့်အခြားအဆို့ရှင်များအကြားခြားနားချက်ကဘာလဲ။

တိကျသောထိန်းချုပ်မှု - အဆို့ရှင်များသည်သေးငယ်သောအဆို့ရှင်များ၌တိကျသောအဆို့ရှင် Core မှတစ်ဆင့်ကောင်းမွန်သောစီးဆင်းမှုစည်းမျဉ်းများရရှိပြီး,

Hot Tags: TAC Pneumatic Toggle Valve, China, ထုတ်လုပ်သူ, ပေးသွင်းသူ, စက်ရုံ
စုံစမ်းမေးမြန်းရန်ပေးပို့ပါ။
ဆက်သွယ်ရန်အချက်အလက်
  • လိပ်စာ

    Zhengtai လမ်း, မယ်လီ, Yueqing, Wenzhou, zhejiang, တရုတ်နိုင်ငံ။

  • အီးမေး

    cici@olkptc.com

ကျွန်ုပ်တို့၏ဝဘ်ဆိုဒ်မှကြိုဆိုပါသည်။ ကျွန်ုပ်တို့၏ထုတ်ကုန်များ သို့မဟုတ် စျေးနှုန်းစာရင်းနှင့်ပတ်သက်၍ စုံစမ်းမေးမြန်းလိုပါက သင့်အီးမေးလ်ကို ကျွန်ုပ်တို့ထံ ထားခဲ့ပါ၊ ကျွန်ုပ်တို့သည် 24 နာရီအတွင်း ဆက်သွယ်ပေးပါမည်။
သတင်းအကြံပြုချက်များ
အီးမေး
cici@olkptc.com
မိုဘိုင်း
+86-13736765213
လိပ်စာ
Zhengtai လမ်း, မယ်လီ, Yueqing, Wenzhou, zhejiang, တရုတ်နိုင်ငံ။
X
သင့်အား ပိုမိုကောင်းမွန်သောကြည့်ရှုမှုအတွေ့အကြုံကို ပေးဆောင်ရန်၊ ဆိုက်အသွားအလာကို ပိုင်းခြားစိတ်ဖြာပြီး အကြောင်းအရာကို ပုဂ္ဂိုလ်ရေးသီးသန့်ပြုလုပ်ရန် ကျွန်ုပ်တို့သည် ကွတ်ကီးများကို အသုံးပြုပါသည်။ ဤဆိုက်ကိုအသုံးပြုခြင်းဖြင့် ကျွန်ုပ်တို့၏ cookies အသုံးပြုမှုကို သင်သဘောတူပါသည်။ ကိုယ်ရေးအချက်အလက်မူဝါဒ
ငြင်းပယ်ပါ။ လက်ခံပါတယ်။